Multiplexers in Digital Electronics: Definition, Functions, Working & Truth Table
Contents
ToggleMultiplexers, often called MUXes, are essential combinational circuits that act as digital switches, selecting one input from many data sources and routing it to a single output line based on control signals. They enable efficient data sharing, reducing wiring complexity in systems from CPUs to communication networks.
What is a Multiplexer?
A multiplexer is a combinational logic circuit with 2n input lines, n select lines, and 1 output line that forwards the selected input to the output based on the binary value of select lines.
Select lines in multiplexers act as digital addresses, controlling which data input line should get routed to the single output line, functioning like a controlled switch to manage data flow with ‘n’ select lines choosing one out of 2n input lines enabling data routing and efficient use of shared resources
Functions and Purpose of Multiplexers
- Data Selection: Choose one data source from many ( role of the select line ).
- Data Routing: Route signals efficiently . Used in bus systems.
2:1 Multiplexer
In a 2:1 Multiplexer, there are two inputs D0 and D1 and a selection line s0 and a single output Y.
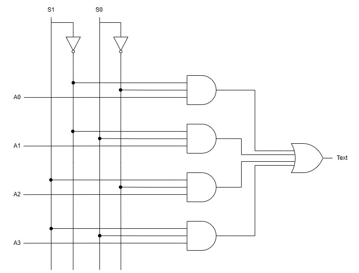
4:1 Multiplexer
In the 4:1 Multiplexer, there is a total of four inputs; A0,A1,A2 and A3; 2 selection lines; S0 and S1, and output Y


